Product Catalog (PCAT)
Unbundled Local Loop - 2-Wire or 4-Wire Non-Loaded Loop - V32.0
NOTE: The Federal Communications Commission ("FCC" or "Commission") released Order FCC 20-152 on October 28, 2020, a Report and Order in WC Docket 19-308 for the Modernizing Unbundling and Resale Requirements in an Era of Next-Generation Networks and Services ("Order"), which became effective February 8, 2021, and altered CenturyLink’s obligations to provide certain unbundled network elements. As such, these services will no longer be available after the following transition periods, consistent with the terms of the UNE Modernization Forbearance Amendment: 1) DS1- new orders not available after February 8, 2023; 2) DS3- new orders not available as of February 8, 2021; 3) DS0/ADSL/xDSL/ISDN BRI - new orders not available after February 8, 2023; 4) UNE Subloops and NIDs- new orders not available as of February 8, 2021; 5) Dark Fiber Transport- new orders not available as of February 8, 2021; and 6) OSS- subject to the transition periods applicable to the corresponding UNEs. The wire center lists pertaining to this order can be found at: http://www.centurylink.com/wholesale/clec.html.
Product Description
Unbundled Local Loop-2-Wire or 4-Wire Non-Loaded Loop is a basic 2-wire or 4-wire non-loaded loop with a transmission path from the CenturyLink™ Central Office (CO) Distribution Frame, or equivalent, to the loop demarcation point at the end-user premises.
This unbundled offering is a metallic, wire cable pair with no Load Coils, and some limited length of Bridged Taps, depending on the Network Channel/Network Channel Interface (NC/NCI) codes specified by you. Digital Transport systems require facilities of this type to function. Characteristics associated with Unbundled Non-Loaded Loops are in accordance with the following end-user interfaces:
- 2-wire digital interfaces support Digital Subscriber Line (DSL)
- 4-wire digital interfaces support Digital Data Services (DDS) or High-Bit-Rate Digital Subscriber Line (HDSL)
The Non-Loaded 2-Wire or 4-Wire loop has the following characteristics:
- Metallic facilities only, no carrier segments
- No Load Coils or build out capacitance, may have limited amount of remaining Bridged Taps
- Loop may be comprised of mixed gauges of cable
- Transmission characteristics of the two pairs making up the 4-wire facility may not be identical
CenturyLink offers optional processes for Facility Assignment, Conditioning, and Testing associated with the 2-Wire or 4-Wire Non-Loaded Loop (LX-N) via an amendment, or in Minnesota only, via an amendment or addendum to the CLEC’s Interconnection Agreement (ICA). These products are defined as "LX-N xDSL Capable Loop" in the Amendment and refer to 2-wire and 4-wire copper loop(s) that would support transmission of the digital signals needed to provide xDSL Services. "LX-N xDSL Capable Loop" means an xDSL Capable Loop that is associated with the 2-wire and 4-wire Non Loaded Loop Product and NC Code of "LX-N," including the codes identified with a CenturyLink LX-N NC code in Technical Publication, Interconnection – Unbundled Loop, 77834. LX-N xDSL Capable Loops include loops with any of the NCI codes used in association with LX-N NC code to identify the type of xDSL Service.
Additional details can be found in the Unbundled Local Loop – General Information PCAT.General information regarding Unbundled Local Loop products is located in Unbundled Local Loop - General Information.
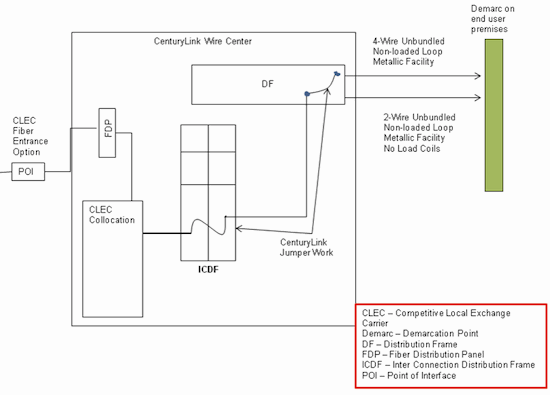
Product Diagram

Availability
2-Wire or 4-Wire Non-Loaded Capable Loop is available where facilities exist throughout CenturyLink QC.
Terms and Conditions
General Interconnection Agreement, regulation and policy information for 2-Wire or 4-Wire Non-Loaded Capable Loop is located in the Terms and Conditions section of Unbundled Local Loop - General Information.
Technical Publications
Technical characteristics, including Network Channel/Network Channel Interface (NC/NCI) codes, and available interfaces are described in Technical Publication, Interconnection - Unbundled Loop, 77834.Pricing
Rate Structure
Recurring charges are comprised of the following rate elements:
- 2-Wire or 4-Wire Non-Loaded Capable Loop
- Interconnection Tie Pair (ITP), per connection
Recurring charges are billed on a month-to-month basis.
Nonrecurring charges depend on the Installation option chosen.
Nonrecurring charges are billed at the time service is rendered. Term contracts are not available. A nonrecurring charge applies to the installation of service(s) and in some states a disconnect service(s) charge will apply.
Additional rate element information is available in the Pricing section of Unbundled Local Loop - General Information.
Rates
Wholesale rates for this product or service, including tariff references and any applicable discounts, are provided in your current Interconnection, Resale, Commercial, or other governing agreement.
Tariffs, Regulations and Policy
Tariff, regulations and policies are located in the state specific Tariffs/Catalogs/Price Lists.
Optional Features
Optional Features section does not apply to 2-Wire or 4-Wire Non-Loaded Capable Loop.
Features/Benefits
| Features | Benefits |
| Market Presence | |
| Low Cost |
Applications
See Features/Benefits.
Implementation
Product Prerequisites
If you are a new Competitive Local Exchange Carrier (CLEC) and are ready to do business with CenturyLink, view Getting Started as a Facility-Based CLEC. If you are an existing CLEC wishing to amend your Interconnection Agreement or your New Customer Questionnaire, additional information is located in the Interconnection Agreement.
Pre-Ordering
General pre-ordering activities are described in the Pre-Ordering Overview and in the Ordering section of Unbundled Local Loop - General Information. The EASE-LSR User's Guide specifically details the information applicable to pre-ordering functions.
Loop Qualification
CenturyLink strongly recommends use of pre-ordering functionality to assist in achieving increased service request flow through and accuracy, which will result in reduced service requests rejects.
The following activities may need to be performed by you in preparation for the issuance of the service request:
- Validate address
- Check facility availability
- Validate Connecting Facility Assignment (CFA)
- Review Customer Service Record (CSR)
- Query Raw Loop Data (RLD)
- Query Plain Old Telephone Service (POTS) Conversion to Unbundled Loop Tool
More information can be found on these activities in the Loop Qualification and Raw Loop Data - CLEC Job Aid.
These activities will enable you to verify the type of facility and the loop make-up of the Unbundled Local Loop, which will assist you in identifying the appropriate ordering intervals located in the Service Interval Guide (SIG).
Additional pre-ordering information is available in the Pre-Ordering section of Unbundled Local Loop - General Information.
Ordering
General ordering activities are described in the Ordering Overview and in the Ordering section of Unbundled Local Loop - General Information.
Unbundled Local Loop Installation Options
Six installation options are available for Unbundled Local Loop. Detailed information about the different installation options is available in the Ordering section of Unbundled Local Loop - General Information.
Circuit ID (ECCKT)
Unbundled Local Loops are assigned with Circuit Identification numbers. Detailed information about the Circuit Identification number format is available in the Ordering section of Unbundled Local Loop - General Information.
Conditioning
2-Wire or 4-Wire Non-Loaded Capable Loop may require conditioning (removal of Load Coils and/or Interfering Bridged Taps). Specific information for conditioning is available in the Ordering section of Unbundled Local Loop - General Information.
Optional Conditioning Process
Conditioning and Remove All Conditioning are available for xDSL Capable Loops (LX-N,) via an optional amendment. Additional information on this loop conditioning is available in the Ordering section of the Unbundled Local Loop - General Information.
Minnesota Only: Conditioning and Remove All Conditioning are available via an optional amendment or addendum. The addendum does not have loop length restrictions for three (3) specific NCI codes for the NC code of LX-N. Remove All Conditioning is not an option during loop delivery and acceptance on these three specific NCI codes; however, it is an option during repair.
| NC | NCI | SECNCI | Spectrum Management Class |
| LX-N | 02QB5.001 | 02DU5.001 | Spectrum Management Class 1 |
| LX-N | 02QB9.005 | 02DU9.005 | Spectrum Management Class 5 |
| LX-N | 04QB5.00F | 04DU5.00F | Spectrum Management HDSL4. Technology Specific. Transmission System |
Required Forms and Activity Types
2-Wire or 4-Wire Non-Loaded Loop service requests are submitted using the following Local Service Ordering Guidelines (LSOG) forms:
- Local Service Request (LSR)
- End User (EU)
- Loop Service (LS)
- Directory Listing (DL), if applicable
Field entry requirements are described in the LSOG.
More UBL specific information, including valid LSR ACT types, is described in the Ordering section of Unbundled Local Loop - General Information.
Service requests should be placed using EASE-LSR Extensible Markup Language (XML) or EASE-LSR Graphical User Interface (GUI).
A Design Layout Record (DLR) is described in the EASE-LSR XML Network Disclosure Document and in the EASE-LSR User's Guide.
Service requests can be rejected for various reasons. Error and rejection notifications are described in the Ordering Overview.
Provisioning and Installation
General provisioning and installation activities are described in the Provisioning and Installation Overview and in the Provisioning and Installation section of Unbundled Local Loop - General Information.
Firm Order Confirmation (FOC) intervals are located in the SIG.
A jeopardy occurs on a service request if a condition exists that threatens timely completion. Jeopardy notifications are described in the Provisioning and Installation Overview.
Cooperative Testing information is located in the Ordering section of Unbundled Local Loop - General Information.
Performance testing available on the 2-Wire or 4-Wire Non-Loaded Capable Loop includes:
- No Load Coils, Opens, Grounds, Shorts, Noise, or Foreign Volts
- Insertion Loss at 1004 Hertz (Hz)
Optional Testing Process
Additional information on tests performed for xDSL Capable Loops (LX-N) is available in the Provisioning section of Unbundled Local Loop - General Information.
If you have executed an xDSL Services Addendum to your Minnesota Agreement, CenturyLink will perform these tests and report the results of the tests to you. For the following loops with NC code of LX-N and NCI code of the following:
| NCI | SECNCI |
| 02QB5.001 | 02DU5.001 |
| 02QB9.005 | 02DU9.005 |
| 04QB5.00F | 04DU5.00F |
CenturyLink will deliver the best possible loop to you, but is not required to meet the associated performance parameters required in the Addendum for the other LX-N NCI codes. The reported results will serve as a benchmark for repair purposes. Refer to the xDSL Services Addendum, Attachment 3 Performance Parameter Tests for details.
Transmission performance parameters and limits are available in Technical Publication, Interconnection - Unbundled Loop, 77384.
Loss and Completion Reports are generated based on loss and gain account activity. Loss and Completion Reports are described in Billing Information - Additional Output - SMDR, Completion Report, Loss Report.
Spectrum Management information is located in the Provisioning section of Unbundled Local Loop - General Information.
Service Intervals
Service interval guidelines are found in the Service Interval Guide (SIG). The installation interval for Unbundled Local Loop depends on work associated with conditioning of the facility, if applicable.
2-Wire or 4-Wire Quick Loop
Quick Loop provides a reduced provisioning interval for Unbundled Local Loops when certain conditions are met. See 2-Wire or 4-Wire Quick LoopHours of Operation
Installation hours are described in the Provisioning and Installation section of Unbundled Local Loop - General Information.
Maintenance and Repair
General maintenance and repair activities are described in the Maintenance and Repair Overview.
Billing
Ensemble is the new billing system for customers. For questions about the bill, please follow the instructions on the reverse side of each billing statement.
The Ensemble bill is described in Billing Information – Ensemble.
Training
Self-Paced Training
View CenturyLink courses by clicking on Training Catalog.
Contacts
CenturyLink contact information is located in Wholesale Customer Contacts.
Frequently Asked Questions (FAQs)
This section is being compiled based on your feedback.
Last Update: November 4, 2021
Last Update: March 21, 2024
NC/NCI™ is a Trademark of iconectiv®.
